aštrių viršūnių grandinė, skirta naudoti drėgnose ir dulkėtose aplinkose

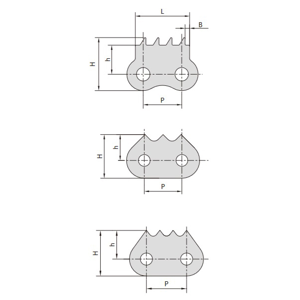
Aštrių dantų grandinė yra perdavimo grandinės rūšis, jos struktūrą sudaro pakaitomis surinkti dantų grandinės plokštės ir kreipiamosios plokštės, o per kaištį arba sujungtų elementų derinį suformuotos gretimosios grandinės yra šarnyrinės jungtys.

Aprašymas

Pagal kreipiamojo tipo klasifikaciją, krumplinių grandinių grandinės apima išorines kreipiamąsias krumplines grandines, vidines kreipiamąsias krumplines grandines ir dvigubas vidines kreipiamąsias krumplines grandines. Ši grandinė perduoda galią ir judesį, tiksliai sukibdama grandinės ir krumplinio rato dantų, užtikrindama tikslų vidutinį perdavimo santykį.

Privalumai

  • Didelė perdavimo galia ir stiprus perkrovos pajėgumas
  • Kompaktiškas perdavimo dydis toms pačioms darbo sąlygoms
  • Reikalauja mažesnės įtempimo jėgos
  • Patikimai veikia atšiauriomis sąlygomis, įskaitant aukštą temperatūrą, drėgmę, dulkes ir taršą

Trūkumai

  • Didesnė kaina, palyginti su kitais grandinių tipais
  • Jautrus nusidėvėjimui ir pailgėjimui
  • Prastas perdavimo sklandumas, papildoma dinaminė apkrova, vibracija, smūgiai ir triukšmas veikimo metu
  • Netinka greito apsisukimo perdavimo taikymams

Apibendrinant, smailės grandinės yra idealios taikymams, kuriuose reikalinga didelė galios perdava sudėtingomis sąlygomis, tačiau gali netikti užduotims, kurioms reikalingas dažnas greitas apsisukimas arba minimalus triukšmas ir vibracija.

Techniniai parametrai

aštrių viršūnių grandinės techninis stalas

aštrių viršūnių grandinės techninis stalas