trigubos kūginės fiksavimo grandinės ratai 16B-3 ISO ritininės grandinės standartas

Šioje konstrukcijoje naudojamas kūginis stebulės ir atitinkamas kūginis skylis, leidžiantis grandinę saugiai pritvirtinti prie veleno naudojant kūgines fiksavimo įvorės be tarpo.
Modelis: tipo B 16B-3 kūginės fiksavimo grandinės
Medžiaga: C45, nerūdijantis plienas, grūdintas plienas ir kt.
Paviršiaus apdorojimas: grūdinti dantys, juodas oksidas, cinkuotas, elektroforezė ir kt.

Aprašymas

Kūginė fiksavimo įvorėužtikrina tvirtą mechaninį sukibimą tarp grandinės rato stebulės ir veleno, garantuodamas tvirtą ir patikimą jungtį, užtikrinančią sklandų ir efektyvų galios perdavimą. Ši konstrukcija sumažina energijos nuostolius ir pagerina bendrą sistemos efektyvumą.

Pagrindinės savybės

  • Mechaninis sujungimas:Saugiai sujungia grandinės ratlankio stebulę ir veleną, užtikrinant puikų patikimumą ir sumažinant slydimą.
  • Efektyvus galios perdavimas:Sklandus veikimas su sumažintu trintimi ir triukšmu, dėka tikslaus dantų formavimo.
  • Ilgas tarnavimo laikas:Patvarios medžiagos ir konstrukcija prailgina krumplių ir grandinių tarnavimo laiką, sumažindamos prastovų ir techninės priežiūros išlaidas.
  • Medžiagų pasirinkimas:
    • C45 plienas:Subalansuoja stiprumą ir ekonomiškumą bendriems taikymams.
    • Nerūdijantis plienas:Puikus atsparumas korozijai – idealus sudėtingoms aplinkos sąlygoms.
    • Grūdintas plienas:Terminiškai apdorotas, kad būtų padidintas atsparumas dilimui ir ilgaamžiškumas.
  • Mažesnės priežiūros išlaidos:Reikia mažiau keitimų, todėl sumažėja bendros eksploatacijos išlaidos.

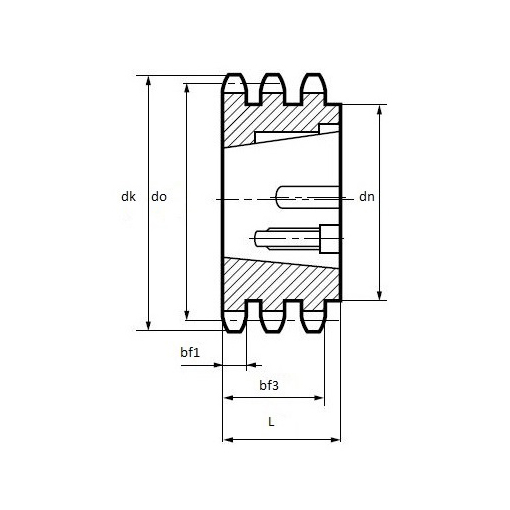
Techninės specifikacijos

  • ISO numeris:16B-3 (1″ x 17,02 mm)
  • Žingsnis:25,4 mm
  • Vidinis plotis:17,02 mm
  • Ritinio skersmuo:15,88 mm
  • Dantų plotis:79,6 mm
  • Ba:2,5 mm (spindulio plotis)
  • Rx:26,0 mm (min. danties spindulys)

Privalumai

  • Stiprus ir patikimas sujungimas aukštos kokybės sistemoms
  • Mažesnė trintis ir triukšmas, todėl veikimas sklandesnis
  • Ilgesnis tarnavimo laikas ir mažesnės priežiūros išlaidos
  • Įvairios medžiagos, pritaikytos įvairioms aplinkoms

Rinkitės mūsų kūginę fiksavimo įvorę su krumpliu, jei norite užtikrinti išskirtinį patvarumą, efektyvią galios perdavimą ir mažas priežiūros išlaidas sudėtingose darbo sąlygose.

Techniniai parametrai

triplex kūginiai fiksatoriniai krumpliai 16B-3 techninė lentelė

triplex kūginiai fiksatoriniai krumpliai 16B-3 techninė lentelė